Описание бруска Б 10
Бруски железобетонные (Б) Серия 3.407.1-157 применяются для устройства различных строительных конструкций, таких как опоры, перемычки, укрепления и другие элементы зданий и сооружений. Изделия изготавливаются из высокопрочного бетона с армированием стальной арматурой, что обеспечивает их прочность, устойчивость к нагрузкам и долговечность.
Применение бруска Б 10
Брусок Б 10 используется как элемент для формирования несущих конструкций в строительстве. Он служит важной частью системы, обеспечивающей устойчивость и прочность зданий, а также равномерное распределение нагрузок. Для монтажа могут применяться дополнительные элементы: раствор, закладные детали и другие комплектующие.
Типы брусков
Бруски железобетонные подразделяются на несколько типов в зависимости от размеров и назначения:
- Б: стандартный брусок;
- БУ: усиленный брусок;
- БП: брусок для перекрытий;
- БФ: фасонный брусок (для сложных конфигураций).
Размеры зависят от типа: длина 500–2000 мм, ширина 100–300 мм, высота 100–300 мм.
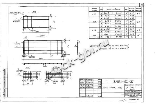
Основные параметры, размеры и характеристики
- Длина (L), мм: 1000
- Ширина (b), мм: 150
- Высота (h), мм: 100
- Геометрический объем, м³: 0,02
- Объем бетона, м³: 0,02
- Масса, кг: 40
- Расход стали, кг: 1,40
Дополнительные характеристики
- Класс бетона: В15 (марка М200)
- Марка по морозостойкости: F150–F200
- Марка по водонепроницаемости: W4–W6
- Технология изготовления: вибропрессование или формование с использованием высокопрочного бетона.
Нормы загрузки
- Норма загрузки в автотранспорт 20 т, шт: 500
Документы
- Нормативный документ: Серия 3.407.1-157
Расшифровка маркировки Б 10
Маркировка "Б 10" содержит следующую информацию:
- Б – брусок железобетонный;
- 10 – индекс серии, характеризующий габаритные размеры и расчетную нагрузку.
Условия транспортировки и хранения
Бруски Б 10 перевозятся автомобильным или железнодорожным транспортом с использованием специальных захватных устройств (строп). Хранение осуществляется на ровных площадках с твердым покрытием. Бруски устанавливаются горизонтально в штабель высотой не более 2,5 м. Для предотвращения повреждений между изделиями устанавливаются деревянные прокладки.
Контроль качества бруска Б 10
Каждый брусок Б 10 проходит многоступенчатый контроль качества в соответствии с Серия 3.407.1-157. Проверяются:
- прочность бетона (не ниже класса В15);
- соответствие геометрических размеров проектным данным;
- качество армирования (наличие арматурного каркаса, толщина защитного слоя бетона);
- морозостойкость и водонепроницаемость бетона;
- точность расположения закладных элементов;
- отсутствие трещин, сколов и других дефектов.
Заключение
Брусок Б 10 – надежный и долговечный элемент для устройства строительных конструкций различного назначения. Благодаря строгому соблюдению требований Серия 3.407.1-157 и использованию качественных материалов, он обеспечивает прочность, устойчивость и долговечность конструкций. Для заказа качественных железобетонных брусков обращайтесь к производителям с сертификатами соответствия и опытом работы в сфере ЖБИ.
Смотрите также:
| Варианты написания товара |
|---|
| Брусок Б 10 |
| Б 10 брусок |
| Брусок Б10 |
| Б10 брусок |
| Б 10 |
| Б10 |
| Брусок Б 10 Серия 3.407.1-157 |
| Б 10 Серия 3.407.1-157 |
| Б10 Серия 3.407.1-157 |
|
ГОСТ/Серия
|
Серия 3.407.1-157 |
|
Длина, мм
|
1000 |
|
Ширина, мм
|
150 |
|
Высота, мм
|
100 |
|
Масса, тонн
|
0.04 |
|
Объем бетона, куб.м
|
0.02 |
|
Класс бетона
|
В15 |
|
Геометрический объем, м.куб
|
0.02 |
|
Сталь, кг
|
1.4 |
Как купить
Процесс покупки железобетонных изделий у нас прост и удобен. Следуйте этим шагам:
- Выбор продукции: Ознакомьтесь с нашим ассортиментом и выберите необходимые железобетонные изделия.
- Консультация: Свяжитесь с нашим менеджером для получения консультации по выбору продукции и уточнения всех деталей. Вы можете позвонить нам или написать на электронную почту.
- Оформление заказа: После согласования всех деталей оформите заказ. Менеджер поможет вам заполнить все необходимые документы.
- Согласование доставки: После оформления заказа наш менеджер свяжется с вами для согласования условий и сроков доставки.
- Оплата: Выберите удобный способ оплаты. Мы предлагаем несколько вариантов, включая безналичный расчет.
- Получение товара: После выполнения всех условий заказа, вы получите железобетонные изделия в назначенное время и по согласованному адресу. При получении подпишите акт приема-передачи.
Если у вас возникли вопросы на любом этапе покупки, не стесняйтесь обращаться к нашим менеджерам!
Оплата
Мы принимаем только безналичные платежи и работаем исключительно с юридическими лицами. Пожалуйста, ознакомьтесь с условиями оплаты ниже:
- Способ оплаты: Все расчеты производятся безналичным путем. Мы не принимаем наличные.
- Счет на оплату: После оформления заказа вам будет выставлен счет, который необходимо оплатить в срок, указанный в документе.
- Реквизиты: Все необходимые банковские реквизиты будут предоставлены в счете. Убедитесь, что все данные указаны правильно для успешного перевода.
- Подтверждение оплаты: После осуществления платежа отправьте нам подтверждение, чтобы мы могли оперативно обработать ваш заказ.
- Получение документов: После полной оплаты вы получите все необходимые документы, включая акт выполненных работ, товарные накладные и сертификаты на продукцию.
Мы работаем с НДС и предоставляем все необходимые сертификаты и документы. Все гарантии будут прописаны в договоре, что обеспечивает прозрачность и надежность сотрудничества.
Если у вас есть вопросы по поводу процесса оплаты, не стесняйтесь обращаться к нашим менеджерам за помощью!
Наша оперативность — ваше удобство. Мы гарантируем своевременную доставку железобетонных изделий, что является ключевым фактором для успешной реализации ваших строительных проектов. Доставка осуществляется прямо к вашему объекту с учетом всех стандартов качества.
Основные условия доставки:
• Выбор тарифа: Вы можете выбрать способ расчета стоимости доставки — почасовой или по зонам.
• Согласование: Менеджер свяжется с вами для уточнения деталей после оформления заказа.
• Время на погрузку: Комплектация товара занимает от 1 до 3 дней в зависимости от объема.
• Акт приема-передачи: Продукция передается по акту приема-передачи.
Тарифы на доставку:
Цены варьируются в зависимости от расстояния и региона. Все тарифы включают НДС. При неблагоприятных погодных условиях возможны небольшие изменения в стоимости.
География доставки:
Мы работаем по всей территории РФ и имеем 12 офисов и производств, чтобы обеспечить удобные условия для доставки.
Для точного расчета стоимости доставки обращайтесь к нашим менеджерам!

