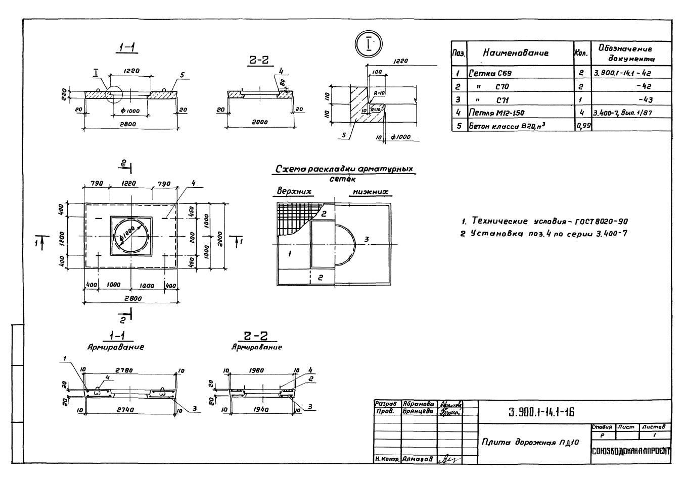
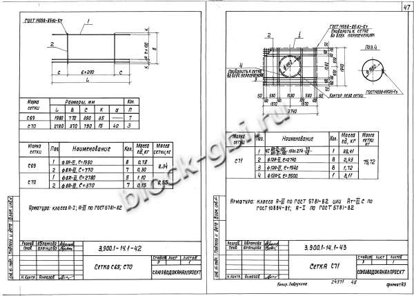
Железобетонная плита ПД10 применяется для обустройства временных проездов, технологических участков, строительных площадок и подъездных путей. Изделие производится из тяжёлого бетона с армированием по ГОСТу, что обеспечивает прочность при эксплуатации в условиях высоких нагрузок. Конструкция плиты позволяет эффективно распределять вес от проезжающего транспорта, включая тяжёлую строительную технику, не деформируясь и не теряя своих характеристик в процессе эксплуатации. Благодаря универсальным размерам и высокой несущей способности ПД10 активно используется как при дорожных работах, так и в промышленном строительстве.
Область применения
Плита дорожная ПД10 подходит для создания временного или постоянного дорожного полотна на объектах различного назначения — от строительных площадок и складских территорий до подъездных путей к жилым или коммерческим объектам. Также изделие востребовано при прокладке инженерных коммуникаций, где требуется временное перекрытие траншей и котлованов. Благодаря прочной конструкции плита сохраняет стабильность даже на слабых грунтах и может использоваться в условиях повышенной влажности и перепадов температур.
Преимущества плиты ПД10
Главное преимущество плиты ПД10 — её высокая прочность и устойчивость к механическим повреждениям. Армированная структура и использование качественного бетона обеспечивают долговечность и способность выдерживать многократные нагрузки от автотранспорта. Установка плит не требует трудоёмких подготовительных работ — достаточно утрамбованной песчано-гравийной подушки, что сокращает сроки обустройства проезда. Поверхность плиты устойчива к износу, атмосферным осадкам и сезонным перепадам температур, не требует дополнительной обработки после укладки.
Контроль качества
Каждая плита ПД10 проходит строгий контроль качества на производстве. Проверяются прочностные характеристики бетона, точность геометрии, надёжность арматурного каркаса и качество защитного слоя. Особое внимание уделяется целостности конструкции, чтобы исключить трещины, пустоты или иные дефекты. Изделия соответствуют действующим стандартам и обеспечивают безопасную эксплуатацию в любых погодных и климатических условиях.
Условия транспортировки и хранения
Транспортировка плит осуществляется с использованием автотехники с соответствующей грузоподъёмностью. Плиты укладываются горизонтально с деревянными прокладками между рядами, предотвращающими повреждение краёв и поверхностей. Для погрузки и выгрузки применяются крановые установки с траверсами или стропами. Хранение плит возможно на открытых площадках с твёрдым покрытием, при этом необходимо соблюдать укладку в штабели высотой не более установленной нормы.
Где купить плиту ПД10
Компания «Блок-ЖБИ» предлагает купить плиту ПД10 напрямую с завода-изготовителя. Мы предоставляем сертификаты соответствия, паспорт качества, а также консультации по выбору нужного объёма и организации доставки. Наши специалисты помогут рассчитать необходимое количество плит для конкретного объекта и обеспечат своевременную поставку в Краснодаре и по всей России. Закажите надёжную плиту ПД10 — и получите прочное решение для обустройства временных и постоянных дорог.
Смотрите также:
| Варианты написания товара |
|---|
| Плита дорожная ПД10 |
| ПД10 плита |
| Плита дорожная ПД10 Серия 3.900.1-14 |
| ПД10 Серия 3.900.1-14 |
| ПД10 |
| Плита дорожная ПД 10 |
| ПД 10 плита |
|
ГОСТ/Серия
|
Серия 3.900.1-14 |
|
Длина, мм
|
2800 |
|
Ширина, мм
|
2000 |
|
Высота, мм
|
220 |
|
Масса, тонн
|
2.5 |
|
Объем бетона, куб.м
|
0.99 |
|
Класс бетона
|
В20 |
|
Геометрический объем, м.куб
|
108.45 |
|
Сталь, кг
|
Сетка С69 |
|
Закладная 1
|
Сетка С70 |
|
Закладная 2
|
Сетка С71 |
|
Закладная 3
|
Петля М12-150 |
Как купить
Процесс покупки железобетонных изделий у нас прост и удобен. Следуйте этим шагам:
- Выбор продукции: Ознакомьтесь с нашим ассортиментом и выберите необходимые железобетонные изделия.
- Консультация: Свяжитесь с нашим менеджером для получения консультации по выбору продукции и уточнения всех деталей. Вы можете позвонить нам или написать на электронную почту.
- Оформление заказа: После согласования всех деталей оформите заказ. Менеджер поможет вам заполнить все необходимые документы.
- Согласование доставки: После оформления заказа наш менеджер свяжется с вами для согласования условий и сроков доставки.
- Оплата: Выберите удобный способ оплаты. Мы предлагаем несколько вариантов, включая безналичный расчет.
- Получение товара: После выполнения всех условий заказа, вы получите железобетонные изделия в назначенное время и по согласованному адресу. При получении подпишите акт приема-передачи.
Если у вас возникли вопросы на любом этапе покупки, не стесняйтесь обращаться к нашим менеджерам!
Оплата
Мы принимаем только безналичные платежи и работаем исключительно с юридическими лицами. Пожалуйста, ознакомьтесь с условиями оплаты ниже:
- Способ оплаты: Все расчеты производятся безналичным путем. Мы не принимаем наличные.
- Счет на оплату: После оформления заказа вам будет выставлен счет, который необходимо оплатить в срок, указанный в документе.
- Реквизиты: Все необходимые банковские реквизиты будут предоставлены в счете. Убедитесь, что все данные указаны правильно для успешного перевода.
- Подтверждение оплаты: После осуществления платежа отправьте нам подтверждение, чтобы мы могли оперативно обработать ваш заказ.
- Получение документов: После полной оплаты вы получите все необходимые документы, включая акт выполненных работ, товарные накладные и сертификаты на продукцию.
Мы работаем с НДС и предоставляем все необходимые сертификаты и документы. Все гарантии будут прописаны в договоре, что обеспечивает прозрачность и надежность сотрудничества.
Если у вас есть вопросы по поводу процесса оплаты, не стесняйтесь обращаться к нашим менеджерам за помощью!
Наша оперативность — ваше удобство. Мы гарантируем своевременную доставку железобетонных изделий, что является ключевым фактором для успешной реализации ваших строительных проектов. Доставка осуществляется прямо к вашему объекту с учетом всех стандартов качества.
Основные условия доставки:
• Выбор тарифа: Вы можете выбрать способ расчета стоимости доставки — почасовой или по зонам.
• Согласование: Менеджер свяжется с вами для уточнения деталей после оформления заказа.
• Время на погрузку: Комплектация товара занимает от 1 до 3 дней в зависимости от объема.
• Акт приема-передачи: Продукция передается по акту приема-передачи.
Тарифы на доставку:
Цены варьируются в зависимости от расстояния и региона. Все тарифы включают НДС. При неблагоприятных погодных условиях возможны небольшие изменения в стоимости.
География доставки:
Мы работаем по всей территории РФ и имеем 12 офисов и производств, чтобы обеспечить удобные условия для доставки.
Для точного расчета стоимости доставки обращайтесь к нашим менеджерам!

