Балки мостовые железобетонные – это опорные конструкции, которые применяются в строительстве и реконструкции мостов, мостовых путепроводов и других пролетных строений. Мостовые балки воспринимают и равномерно распределяют нагрузки, которые воздействуют на мосты и путепроводы. С помощью балок также регулируется изгиб и высота мостов. Кроме того, использование мостовых балок позволяет значительно облегчить строительство пролетных строений и сократить время, затрачиваемое на монтаж опор мостов и путепроводов, что, в конечном счете, благоприятно сказывается на бюджете построек.
Основная область применения мостовых балок – это инженерные сооружения: мосты, тоннели и путепроводы различного назначения. Высокопрочные элементы мостовых конструкций позволяют возводить мосты любой протяженности и высоты, гарантированно защищая их от обрушения. Универсальность конструкции балок позволяет использовать эти ЖБИ и в других отраслях, например, при возведении несущих стен, перекрытий и кровли зданий.
Пролетные строения представляют собой балочно-разрезные сборные конструкции, которые формируются из следующих элементов заводского изготовления: железобетонные несущие мостовые балки; металлические сварные тротуарные консоли, располагаемые по обеим сторонам пролетного строения; консоли убежищ; тротуарные плиты; плиты убежищ; перила; блоки перекрытия продольного шва; листы и коробы перекрытия поперечного шва; опорные части строений.
Балки мостовые железобетонные делятся на несколько типов в зависимости от конструктивных особенностей и области применения:
- БП – балки плитные с ненапрягаемой арматурой для прямых участков пути;
- БПК – балки плитные с ненапрягаемой арматурой для кривых участков пути;
- БС – балки плитные с ненапрягаемой арматурой для станционных пролетных строений.
- Б – балки ребристые с ненапрягаемой арматурой для прямых участков пути;
- БК – балки ребристые с ненапрягаемой арматурой для кривых участков пути;
- БН – балки станционные с предварительно напрягаемой арматурой для прямых участков пути;
- БНК – балки станционные с предварительно напрягаемой арматурой для кривых участков пути.
Предварительно напряженные балки применяются для сборно-монолитных пролетных строений, используемых при строительстве автодорожных мостов. Балки без предварительного напряжения и со стандартным армированием применяются для путепроводов, предназначенных для движения по ним пешеходов. Балки с двутавровым сечением и предварительно напряженной арматурой применяются в строительстве пролетов, покрывающих большие пространства.
Железобетонные мостовые балки представляют собой вытянутый брус с тавровым или двутавровым сечением. Плитные балки пролетных строений устанавливается на 4 опорные части таким образом: по 2 опорные части под каждый конец балки. Мостовые плитные балки между собой объединяются по плите путем приварки соединительных планок к закладным деталям, установленным в поперечном бортике. Ребристые балки для пролетных строений устанавливается на 2 опорные части и объединяются в пролетное строение по диафрагмам путем приварки к закладным деталям диафрагм планок и омоноличиванием стыка.
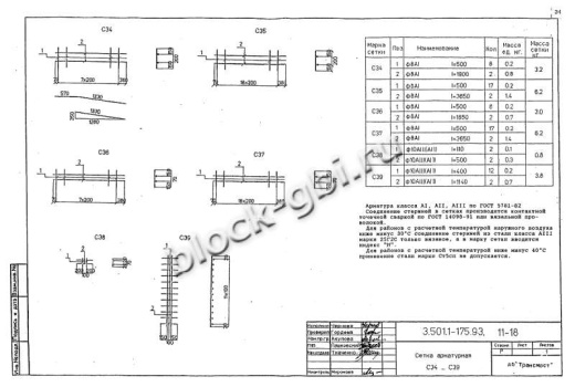
Балки мостовые железобетонные изготавливаются в соответствии с сериями 3.501.1-175.93 «Пролетные строения сборные железобетонные для железнодорожных мостов» и 3.503.1-81 «Пролетные строения сборные железобетонные длиной 12, 15, 18, 21 и 33 м из балок двутаврового сечения с предварительно напрягаемой арматурой для мостов и путепроводов, расположенных на автомобильных дорогах общего пользования, на улицах и дорогах в городах» и 3.501.1-146 «Пролетные строения сборные железобетонные длиной от 2,95 до 16,5 м для железнодорожных мостов».
Мостовые балки изготавливаются из тяжелого конструкционного бетона, класс про прочности на сжатие принимается от В25 и выше. Станционные балки изготавливаются из тяжелого бетона классом про прочности на сжатие не ниже В35. Класс бетона по морозостойкости назначается в зависимости от климатических условий в районе строительства, характеризуемых наружной температурой воздуха наиболее холодного месяца. При умеренных климатических условиях и значении температуры от 0°С до -10°С класс бетона F200, при суровых (от -10°С до -20°С) – F200, при особо суровых (ниже -20°С) – F300. Класс бетона изделий по водонепроницаемости принимается W4.
Балки мостовые армируются вязаными каркасами из сеток, изготавливаемых
из ненапрягаемой или предварительно напряженной стали. Предварительно напрягаемая арматура изготавливается из высокопрочной холоднотянутой гладкой проволоки класса В и представляет собой пучок из 24х проволок. Пучки располагаются в нижнем уширении балки по горизонтали (в два ряда по высоте), и в стенках (в один ряд). Для балок длиной 23,6 м существует вариант армирования из 48 проволок. Ненапрягаемая арматура изготавливается из стали периодического профиля класса А-II или Ас-II и стали класса А-III. Рабочая арматура ненапрягаемых балок дополняется стержнями из гладкой стали класса А-I.
Железобетонные мостовые балки маркируются буквенно-цифровым обозначением, где буквы обозначают наименование элемента. Цифра 1 означает применение балок – для пролетных строений с шириной балластного корыта 4180 мм. Далее через точку указывается полная длина балки в дециметрах. Цифра 3 или 2 обозначает применяемый класс арматуры, соответственно, А-III или А-II. Буква К, стоящая в конце марки, указывает, что балка используется для кривых участков пути.
В компании ГК «БЛОК» можно не только заказать балки мостовые железобетонные, но и проконсультироваться с нашими специалистами, подобрать требуемые конструкции железобетонных изделий. В нашем отделе продаж можно заранее узнать и уточнить цену железобетонных мостовых балок и рассчитать общую стоимость заказа. Купить железобетонные мостовые балки и проконсультироваться по общим вопросам покупки и доставки Вы можете, позвонив по телефонам компании ГК «БЛОК»: Санкт-Петербург: (812) 309-22-09, Москва: (495) 646-38-32, Краснодар: (861) 279-36-00. Режим работы компании: Пн-Пт с 9-00 до 18-00. Компания ГК «БЛОК» осуществляет доставку сборных железобетонных мостовых балок по всей России прямо до объекта заказчика или на строительную площадку, если позволяет инфраструктура.
|
ГОСТ/Серия
|
Серия 3.501.1-175.93 |
|
Длина, мм
|
23600 |
|
Ширина, мм
|
2060 |
|
Высота, мм
|
2430 |
|
Масса, тонн
|
78,1 |
|
Объем бетона, куб.м
|
31,3 |
|
Класс бетона
|
В40 |
|
Геометрический объем, м.куб
|
3.501.1-175.93 вып.2 |
|
Сталь, кг
|
5907,1 |
|
Закладная 1
|
Пучок П1 |
|
Закладная 2
|
Пучок П2 |
|
Закладная 3
|
Пучок П3 |
|
Закладная 4
|
Пучок П4 |
Как купить
Процесс покупки железобетонных изделий у нас прост и удобен. Следуйте этим шагам:
- Выбор продукции: Ознакомьтесь с нашим ассортиментом и выберите необходимые железобетонные изделия.
- Консультация: Свяжитесь с нашим менеджером для получения консультации по выбору продукции и уточнения всех деталей. Вы можете позвонить нам или написать на электронную почту.
- Оформление заказа: После согласования всех деталей оформите заказ. Менеджер поможет вам заполнить все необходимые документы.
- Согласование доставки: После оформления заказа наш менеджер свяжется с вами для согласования условий и сроков доставки.
- Оплата: Выберите удобный способ оплаты. Мы предлагаем несколько вариантов, включая безналичный расчет.
- Получение товара: После выполнения всех условий заказа, вы получите железобетонные изделия в назначенное время и по согласованному адресу. При получении подпишите акт приема-передачи.
Если у вас возникли вопросы на любом этапе покупки, не стесняйтесь обращаться к нашим менеджерам!
Оплата
Мы принимаем только безналичные платежи и работаем исключительно с юридическими лицами. Пожалуйста, ознакомьтесь с условиями оплаты ниже:
- Способ оплаты: Все расчеты производятся безналичным путем. Мы не принимаем наличные.
- Счет на оплату: После оформления заказа вам будет выставлен счет, который необходимо оплатить в срок, указанный в документе.
- Реквизиты: Все необходимые банковские реквизиты будут предоставлены в счете. Убедитесь, что все данные указаны правильно для успешного перевода.
- Подтверждение оплаты: После осуществления платежа отправьте нам подтверждение, чтобы мы могли оперативно обработать ваш заказ.
- Получение документов: После полной оплаты вы получите все необходимые документы, включая акт выполненных работ, товарные накладные и сертификаты на продукцию.
Мы работаем с НДС и предоставляем все необходимые сертификаты и документы. Все гарантии будут прописаны в договоре, что обеспечивает прозрачность и надежность сотрудничества.
Если у вас есть вопросы по поводу процесса оплаты, не стесняйтесь обращаться к нашим менеджерам за помощью!
Наша оперативность — ваше удобство. Мы гарантируем своевременную доставку железобетонных изделий, что является ключевым фактором для успешной реализации ваших строительных проектов. Доставка осуществляется прямо к вашему объекту с учетом всех стандартов качества.
Основные условия доставки:
• Выбор тарифа: Вы можете выбрать способ расчета стоимости доставки — почасовой или по зонам.
• Согласование: Менеджер свяжется с вами для уточнения деталей после оформления заказа.
• Время на погрузку: Комплектация товара занимает от 1 до 3 дней в зависимости от объема.
• Акт приема-передачи: Продукция передается по акту приема-передачи.
Тарифы на доставку:
Цены варьируются в зависимости от расстояния и региона. Все тарифы включают НДС. При неблагоприятных погодных условиях возможны небольшие изменения в стоимости.
География доставки:
Мы работаем по всей территории РФ и имеем 12 офисов и производств, чтобы обеспечить удобные условия для доставки.
Для точного расчета стоимости доставки обращайтесь к нашим менеджерам!

